[elementor-template id=»15025″]
Техническое описание:
|
Grundfos MTH2-50/5 A-W-A-AUUV, артикул: 43643355 — это многоступенчатый полупогружной самовсасывающий центробежный насос для вертикального монтажа в баках и других ёмкостях. Головная часть и основание насоса из чугуна — все остальные контактирующие с перекачиваемой жидкостью детали из нержавеющей стали. Насос имеет следующие характеристики:
- Монтажная длина согласно стандарту DIN 5440.
- Рабочие колёса, промежуточные камеры и шлицевый вал выполнены из Нержавеющая сталь.
- Торцевое уплотнение вала согласно стандарту EN 12756.
- Вращение вала передаётся через чугунную разъёмную муфту.
Картриджное уплотнение вала обеспечивает высокую надежность, безопасное использование и легкий доступ для обслуживания. Насос оснащен асинхронным 3-фазным электродвигателем на лапах, с воздушным охлаждением.
См. подробное описание серии |
Технические данные:
Rated flow 41.7 л/мин
Rated head 32.3 м
Кол-во камер 5
Рабочие колеса 5
Код торцевого уплотнения вала AUUV
Допуски по рабочим хар-кам ISO9906:2012 3B
Тип исполнения A
Модель A |
Жидкость:
Рабочая жидкость Вода
Диапазон температур жидкости -10 .. 90 °C
Температура перекачиваемой жидкости 20 °C
Плотность 998.2 кг/м3 |
Материалы:
Корпус насоса Чугун
Материал корпуса насоcа EN 1561 EN-GJL-200
Корпус насоса ASTM A48-25B
Рабочее колесо Нержавеющая сталь
Рабочее колесо, EN/DIN EN 1.4301
Рабочее колесо, AISI/ASTM AISI 304
Код материала A |
Данные электрооборудования:
Frame size MG80A2-C
Power input P1 715 Вт
IE efficiency class IE2
Rated power — P2 0.75 кВт
Частота питающей сети 50 Hz
Фаза 3
Номинальное напряжение 200-220 D/346-380 Y В
Диапазон тока насоса 3,35-3,45/1,95-2,0 A
Максим. потребление тока 4,45-4,25/2,6-2,5 A
Пусковой ток 600-630 %
Номинальная частота вращения 2850 об/м
Степень защиты (IEC 34-5) IP54
Insulation class (IEC 85) F
Built-in motor protection NONE |
Монтаж:
Максимальная температура окружающей среды 40 °C
Макс. рабочее давление 10 бар
Макс. давление при заданной темп-ре 10 бар / 90 °C
Стандарт трубного присоединения Rp
Размер напорного патрубка 3/4 inch
Код присоединения W |
Управление:
|
|
Другое:
Минимальный индекс эффективности, MEI ? 0.7
Вес(Нетто) 12.3 кг
Вес(Брутто) 12.3 кг |
Гидравлические характеристики:

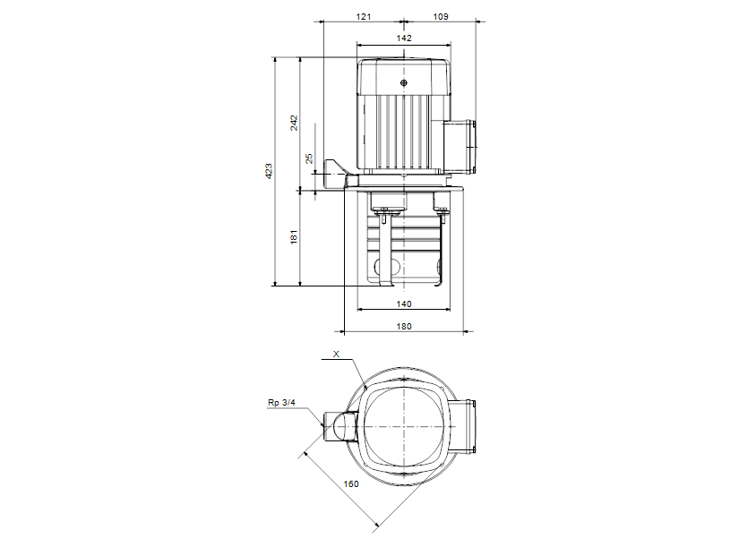
Габаритные размеры:

Деталировка:

Деталировка электродвигателя:

Документация:
[elementor-template id=»57545″]
[elementor-template id=»162759″]