Артикул: 4141177Старый артикул: (4141158) Стоимость: 3712 2078,72 руб. с НДССрок поставки: от 4-х до 6-ти недель
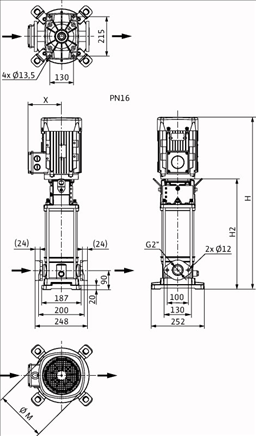
Масса нетто: 72,0 кг; Масса брутто: 94,0 кг; Габариты без учета упаковки, ДхШхВ: 248мм х 252мм х 1487мм
Условия доставки см. в разделе: Оплата и доставка Отправить запрос |
Техническое описание:
Высокоэффективный высоконапорный центробежный насос вертикального исполнения с линейными подсоединениями.
Нормальновсасывающий высоконапорный центробежный насос компактной конструкции с простым техническим обслуживанием. Вал насоса и вал стандартного электродвигателя IEC подсоединяются с помощью продольно-свертной муфты, отдельный шарикоподшипник с фонарем обеспечивает оптимальную передачу осевых нагрузок. Промежуточные подшипники гидравлической части и коррозионно-стойкий вал с втулкой из нержавеющей стали обеспечивают долгий срок службы. Специальные прочно смонтированные рым-болты облегчают установку насоса.
Насос подходит для использования в системах водоснабжения и повышения давления, в промышленных циркуляционных установках, а также в контурах очистки технологической воды и в закрытых контурах охлаждения. Кроме того, его можно применять в установках пожаротушения, моечных установках, а также для ирригации.
Особенности/преимущества продукции:
— Оптимизированная по КПД гидравлическая часть 2D/3D, изготовленная методом лазерной сварки, с оптимизацией расхода и удаления газов
— Коррозионно-стойкие рабочие колеса, ведущие колеса и ступенчатый корпус
— Корпус насоса, оптимизированный по расходу и NPSH
— Удобная для техобслуживания конструкция с защитным кожухом муфты повышенной прочности
— Разрешение к применению в питьевом водоснабжении для насосов с деталями из нержавеющей стали, контактирующими с перекачиваемой жидкостью (исполнение EPDM)
Комплект поставки:
— Высоконапорный центробежный насос Wilo-Helix V
— Инструкция по монтажу и эксплуатации
Указания относительно типа:
— Защита электродвигателя — по запросу или предоставляется заказчиком.
— Стандартное положение клеммной коробки, выставленное на всасывающем фланце, можно при необходимости изменить.
— Wilo-Helix V оснащена удобным для пользователя торцевым уплотнением картриджного типа и серийным уплотнением для упрощения технического обслуживания
— Благодаря разборной муфте (при ≥ 7,5 кВт) можно заменять торцевое уплотнение без демонтажа электродвигателя
— Гибкий дизайн фонаря с двумя настройками обеспечивает прямой доступ к торцевому уплотнению.
— Можно заказать в качестве принадлежностей круглые ответные фланцы из серого чугуна или нержавеющей стали и соответствующие болты, гайки и уплотнения.
— Комплекты байпаса предлагаются в качестве дополнительных принадлежностей.
— Wilo-Helix V в исполнении ATEX по запросу
| См. подробное описание серии |
Эксплуатационные параметры:Максимальное рабочее давление: 16 bar |
Жидкость:Перекачиваемая жидкость: Вода или схожая по вязкости и плотности с водой жидкость, без твёрдых включений |
Материалы:Корпус насоса: 1.4308 [AISI304]
Рабочее колесо: 1.4307 [AISI304L]
Статическое уплотнение: EPDM |
Данные электрооборудования:Подключение к сети: 3~400V/50 Hz |
Монтаж:Патрубок на стороне всасывания: G 2 |
Другое:Вес, прим.: 72 kg Номер позиции: 4141177 |

