Артикул: 6076425Старый артикул: Стоимость: 1599 879,45 руб. с НДССрок поставки: до 4-х недель
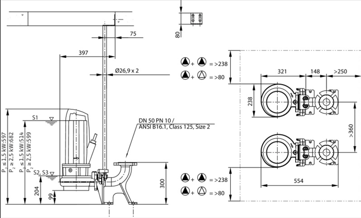
Масса нетто: 49,0 кг; Масса брутто: 51,0 кг; Габариты без учета упаковки, ДхШхВ: 238мм х 268мм х 475мм
Условия доставки см. в разделе: Оплата и доставка Отправить запрос |
Техническое описание:
REXA PRO C05DA-322/EAD1X2-T0011-540-O артикул 6076425 — это Полностью затапливаемый погружной насос для отвода сточных вод для стационарной и мобильной установки в погруженном состоянии, для перекачивания загрязненной воды и сточных вод с фекалиями (область применения согласно (DIN) EN 12050-1). Агрегат выполнен полностью из серого чугуна. Стороны перекачиваемой жидкости и электродвигателя уплотнены двумя торцевыми уплотнениями, независимыми от направления вращения. Трехфазный двигатель с поверхностным охлаждением во взрывозащищенном исполнении с камерой уплотнений, датчиком контроля температуры обмотки электродвигателя и датчиком контроля герметичности камеры электродвигателя. Отсоединяемый кабель электропитания с продольно герметичным кабельным вводом и свободным концом.
| См. подробное описание серии |
Данные об изделии:Тип конструкции рабочего колеса: Полуоткрытое одноканальное рабочее колесо |
Жидкость:Перекачиваемая жидкость: дренажные сточные воды |
Материалы:Корпус насоса: 5.1301, EN-GJL-250 |
Данные электрооборудования:Тип электродвигателя: Погружной электродвигатель — с воздушным охлаждением Длина кабеля электропитания: 10 m Поплавковый выключатель: да |
Монтаж:Присоединение к трубопроводу на стороне всасывания: DN 50, PN10 |
Другое:Изделие: Wilo |

