Артикул: 6064588Старый артикул: Стоимость: 2018 1109,9 руб. с НДССрок поставки: до 4-х недель
Масса нетто: 41,1 кг; Масса брутто: 43,0 кг; Габариты без учета упаковки, ДхШхВ: 252мм х 202мм х 630мм
Условия доставки см. в разделе: Оплата и доставка Отправить запрос |
Техническое описание:
REXA FIT V05DA-222/EAD1-2-T0025-540-A артикул 6064588 — это Полностью затапливаемый погружной насос для отвода сточных вод для стационарной и мобильной установки в погруженном состоянии, для перекачивания загрязненной воды и сточных вод с фекалиями (область применения согласно EN 12050-1). Гидравлический корпус и рабочее колесо из серого чугуна, корпус электродвигателя из нержавеющей стали. Стороны перекачиваемой жидкости и электродвигателя уплотнены двумя торцевыми уплотнениями, независимыми от направления вращения. Двигатель с поверхностным охлаждением в трехфазном исполнении с камерой уплотнений и датчиком контроля температуры обмотки электродвигателя. Отсоединяемый кабель электропитания с CEE-штекером переключателя фаз и поплавковым выключателем.
| См. подробное описание серии |
Данные об изделии:Тип конструкции рабочего колеса: Свободновихревое рабочее колесо |
Жидкость:Перекачиваемая жидкость: дренажные сточные воды |
Материалы:Корпус насоса: 5.1301, EN-GJL-250 |
Данные электрооборудования:Тип электродвигателя: Погружной электродвигатель — с воздушным охлаждением Длина кабеля электропитания: 10 m Поплавковый выключатель: нет |
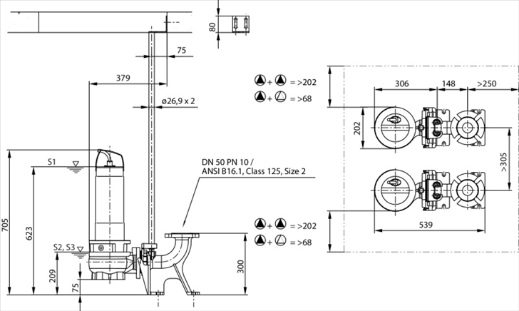
Монтаж:Присоединение к трубопроводу на стороне всасывания: DN 50, PN10 |
Другое:Изделие: Wilo |

