Артикул: 6064584Старый артикул: Стоимость: 1563 859,65 руб. с НДССрок поставки: до 4-х недель
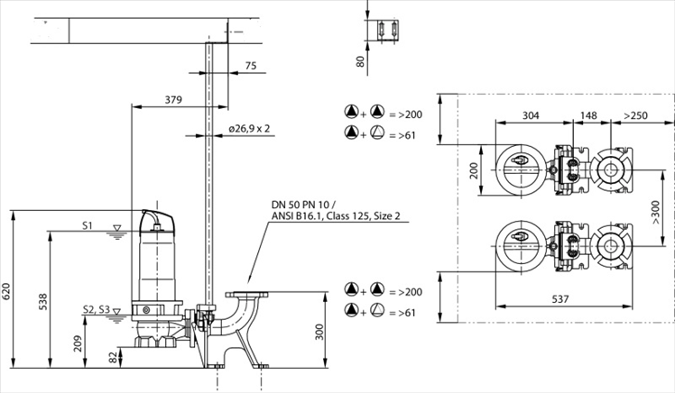
Масса нетто: 33,0 кг; Масса брутто: 35,0 кг; Габариты без учета упаковки, ДхШхВ: 250мм х 200мм х 538мм
Условия доставки см. в разделе: Оплата и доставка Отправить запрос |
Техническое описание:
REXA FIT V05DA-126/EAD0-2-M0015-523-A артикул 6064584 — это Полностью затапливаемый погружной насос для отвода сточных вод для стационарной и мобильной установки в погруженном состоянии, для перекачивания загрязненной воды и сточных вод с фекалиями (область применения согласно EN 12050-1). Гидравлический корпус и рабочее колесо из серого чугуна, корпус электродвигателя из нержавеющей стали. Стороны перекачиваемой жидкости и электродвигателя уплотнены двумя торцевыми уплотнениями, независимыми от направления вращения. Двигатель с поверхностным охлаждением в однофазном исполнении, со встроенным рабочим конденсатором, камерой уплотнений и автоматическим датчиком контроля температуры обмотки электродвигателя. Отсоединяемый кабель электропитания со штекером с защитным контактом и поплавковым выключателем.
| См. подробное описание серии |
Данные об изделии:Тип конструкции рабочего колеса: Свободновихревое рабочее колесо |
Жидкость:Перекачиваемая жидкость: дренажные сточные воды |
Материалы:Корпус насоса: 5.1301, EN-GJL-250 |
Данные электрооборудования:Тип электродвигателя: Погружной электродвигатель — с поверхностным охлаждением Длина кабеля электропитания: 10 m Поплавковый выключатель: нет |
Монтаж:Присоединение к трубопроводу на стороне всасывания: DN 50, PN10 |
Другое:Изделие: Wilo |

