Артикул: 6080435Старый артикул: Стоимость: 2197 1208,35 руб. с НДССрок поставки: до 4-х недель
Масса нетто: 40,0 кг; Масса брутто: 44,0 кг; Габариты без учета упаковки, ДхШхВ: 265мм х 215мм х 455мм
Условия доставки см. в разделе: Оплата и доставка Отправить запрос |
Техническое описание:
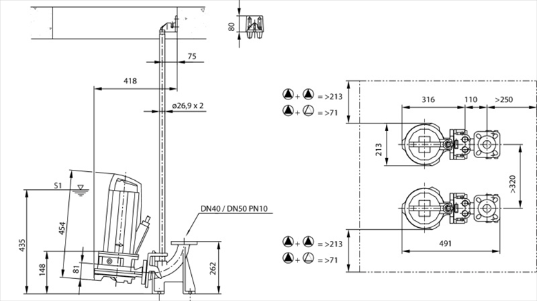
REXA CUT GE03.20/P-T15-2-540X 20m артикул 6080435 — это полностью затапливаемый погружной насос для отвода сточных вод с наружным режущим механизмом, для вертикальной установки в погруженном состоянии, для перекачивания загрязненной воды и сточных вод с фекалиями (область применения согласно DIN EN 12050-1), в т. ч. с длинноволокнистыми фракциями. Агрегат выполнен полностью из серого чугуна, уплотнение со стороны насоса и электродвигателя с двумя независимыми торцевыми уплотнениями. Подсоединение к напорному патрубку с горизонтальным переходником и резьбовым/фланцевым соединением. Трехфазный двигатель с поверхностным охлаждением во взрывозащищенном исполнении с камерой уплотнений и датчиком контроля температуры обмотки электродвигателя. Кабель электропитания со свободным концом.
| См. подробное описание серии |
Данные об изделии:Тип конструкции рабочего колеса: Полуоткрытое многолопастное рабочее колесо с режущим механизмом |
Жидкость:Перекачиваемая жидкость: фекальные сточные воды |
Материалы:Корпус насоса: 5.1301, EN-GJL-250 |
Данные электрооборудования:Тип электродвигателя: Погружной электродвигатель — с воздушным охлаждением Длина кабеля электропитания: 20 m Поплавковый выключатель: да |
Монтаж:Присоединение к трубопроводу на стороне всасывания: , — |
Другое:Изделие: Wilo |

