Артикул: 2081260Старый артикул: Стоимость: 1095 602,25 руб. с НДССрок поставки: на складе или до 4-х недель
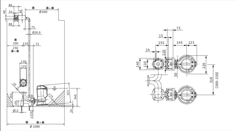
Масса нетто: 20,0 кг; Масса брутто: 23,0 кг; Габариты без учета упаковки, ДхШхВ: 280мм х 220мм х 363мм
Условия доставки см. в разделе: Оплата и доставка Отправить запрос |
Техническое описание:
MTC40F16.15/7-A/1-230-50 артикул 2081260 — это полностью затапливаемый погружной насос для отвода сточных вод с наружным режущим механизмом, для вертикальной установки в погруженном состоянии, для перекачивания сточных вод с содержанием фекалий. Агрегат полностью выполнен из серого чугуна, уплотнение со стороны насоса выполнено из карбида кремния (SiC/SiC). Подсоединение к напорному патрубку с горизонтальным переходником для напорного патрубка и резьбовым подсоединением. Однофазный двигатель с поверхностным охлаждением с камерой уплотнений со встроенным автоматическим датчиком контроля температуры обмотки электродвигателя. Кабель электропитания с поплавковым выключателем, конденсаторной коробкой и штекером с защитным контактом. Взрывозащищенное исполнение отсутствует у всех агрегатов.
| См. подробное описание серии |
Данные об изделии:Тип конструкции рабочего колеса: Полуоткрытое многолопастное рабочее колесо с режущим механизмом |
Жидкость:Перекачиваемая жидкость: дренажные сточные воды |
Материалы:Корпус насоса: 5.1301, EN-GJL-250 |
Данные электрооборудования:Тип электродвигателя: Погружной электродвигатель — с воздушным охлаждением Длина кабеля электропитания: 10 m Поплавковый выключатель: нет |
Монтаж:Присоединение к трубопроводу на стороне всасывания: , — |
Другое:Изделие: Wilo |

