Насос Wilo MHIE 404N-1/E/3-2-2G артикул: 4073105

Внимание!

В связи с нестабильным курсом валют и непростой логистической обстановкой, цены и наличие товаров узнавайте у наших менеджеров по телефону или электронной почте.
Информация на сайте может быть не актуальна, ведутся технические работы!

Горизонтальный многоступенчатый насос Wilo Economy MHIE 404N-1/E/3-2-2G артикул: 4073105

[elementor-template id=»15025″]
Изображение насоса Wilo MHIE 404N-1/E/3-2-2G артикул: 4073105

Артикул: 4073105

Старый артикул:

Стоимость: 2218 1242,08 руб. с НДС

Срок поставки: до 4-х недель

 

Масса нетто: 21,6 кг;

Масса брутто: 23,8 кг;

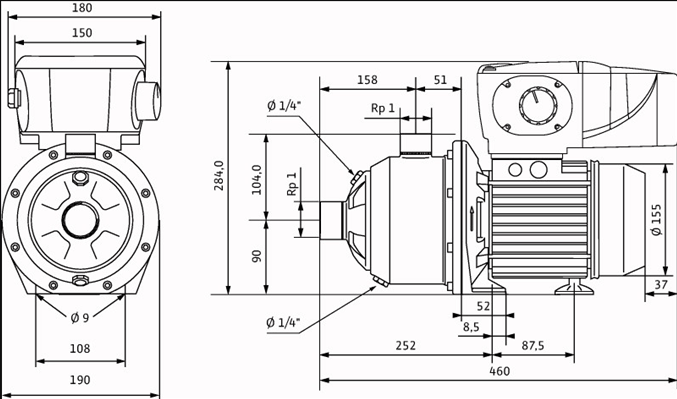
Габариты без учета упаковки, ДхШхВ:

499мм х 190мм х 341мм

 

Условия доставки см. в разделе: Оплата и доставка

Отправить запрос

Техническое описание:

MHIE 404N-1/E/3-2-2G артикул 4073105 — это многоступенчатый нормальновсасывающий горизонтальный высоконапорный центробежный насос блочного типа с горизонтальным всасывающим и вертикальным напорным патрубком и встроенным частотным преобразователем с воздушным охлаждением. Встроенный частотный преобразователь позволяет осуществлять плавную регулировку частоты вращения.

Способы регулирования:

— Режим 1: ручное регулирование частоты вращения с помощью потенциометра
— Режим 2: регулирование давления с помощью сигнала датчика от 4 до 20 мА или 0–10 В, установка заданного значения с помощью потенциометра или внешних сигналов 0–10 В или 0–20 мА.
— Режим 3: регулирование частоты вращения с помощью внешнего сигнала от 0 до 20 мА или 0–10 В

На электронном модуле имеется устойчивый к короткому замыканию выход напряжения +24 В с макс. нагрузочной способностью контактов 30 мА. Модуль оснащен беспотенциальными контактами для SSM, а также красными и зелеными светодиодами для сигнала ВКЛ./ВЫКЛ.

Данный насос имеет компактную конструкцию и оснащен сквозным насосным валом электродвигателя и не зависящим от направления вращения скользящим торцовым уплотнением.

Насос подходит для водоснабжения и повышения давления, промышленных циркуляционных систем, технологической воды, контуров циркуляции охлаждающей воды. Его также можно использовать в системах пожаротушения, моечных установках, в системах орошения.

Особенности/преимущества продукции:

— Эргономичная, компактная блочная конструкция
— Все детали гидравлической части, соприкасающиеся с перекачиваемой жидкостью, такие как секции, рабочие и ведущие колеса, корпус насоса изготовлены из нержавеющей стали
— Разрешение к применению в питьевом водоснабжении (ACS, KTW, WRAS) для всех деталей, соприкасающихся с перекачиваемой жидкостью (исполнение EPDM)

Комплект поставки:

— Многоступенчатый высоконапорный центробежный насос Wilo-Multivert MHIE
— Инструкция по монтажу и эксплуатации

Указания по компоновке:

— Датчики доступны в качестве дополнительных принадлежностей

 

См. подробное описание серии

Эксплуатационные параметры:

Максимальное рабочее давление: 10 bar
Входное давление макс.: 6 bar
Температура окружающей среды, макс.: 50 °C

Жидкость:

Перекачиваемая жидкость: вода или схожая с водой по плотности и вязкости жидкость, без твердых включений
Мин. температура перекачиваемой жидкости: -30 °C
Макс. температура перекачиваемой жидкости: 110 °C

Материалы:

Корпус насоса: 1.4404 [AISI316L] Рабочее колесо: 1.4404 [AISI316L] Статическое уплотнение: FKM
Вал насоса: 1.4404 [AISI316L] Mechanical seal: Q1BVGG

Данные электрооборудования:

Перекачиваемая жидкост: Вода 100 %
Расход:
Напор:
Температура перекачиваемой жидкости: 20 °C
Мин. температура перекачиваемой жидкости: -15 °C
Макс. температура перекачиваемой жидкости: 90 °C
Максимальное рабочее давление: 10 bar
Входное давление макс.: 6 bar
Температура окружающей среды, макс.: 50 °C

Монтаж:

Электромагнитная совместимость: EN 61000-6-1, -2, -3, -4
Подключение к сети: 1~230V/50 Hz
Класс эффективности мотора: IE1
Номинальная мощность P2: 1,1 kW
макс. частотой вращения;: 1375 1/min … 3225 1/min
Номинальный ток (прим.): 14,1 A
Степень защиты: IP 54
Класс изоляции: F

Другое:

Патрубок на стороне всасывания: Rp 1
Патрубок с напорной стороны: Rp 1

Гидравлические характеристики:

Гидравлические характеристики насоса Wilo MHIE 404N-1/E/3-2-2G артикул: 4073105()

Габаритные размеры:

Габаритные размеры насоса Wilo MHIE 404N-1/E/3-2-2G артикул: 4073105()

Схема подключений:

Схема подключений насоса Wilo MHIE 404N-1/E/3-2-2G артикул: 4073105()

Отправить запрос — справа
close slider









Пролистать наверх