Насос Wilo DPL 65/130-0,55/4 артикул:2133207

Внимание!

В связи с нестабильным курсом валют и непростой логистической обстановкой, цены и наличие товаров узнавайте у наших менеджеров по телефону или электронной почте.
Информация на сайте может быть не актуальна, ведутся технические работы!

Циркуляционный сдвоенный ин-лайн насос Wilo-VeroTwin-DPL 65/130-0,55/4 артикул: 2133207

[elementor-template id=»15025″]
Изображение насоса Wilo DPL 65/130-0,55/4 артикул: 2133207

Артикул: 2133207

Старый артикул:

Стоимость: 2062 1134,1 руб. с НДС

Срок поставки: до 4-х недель

 

Масса нетто: 60,8 кг;

Масса брутто: 71,4 кг;

Габариты без учета упаковки, ДхШхВ:

425,5мм х 550мм х 340мм

 

Условия доставки см. в разделе: Оплата и доставка

Отправить запрос

Техническое описание:

ЛЛинейный сдвоенный насос с двумя одноступенчатыми центробежными насосами с сухим ротором в общем корпусе с перекидным клапаном в напорном патрубке. Компактный насос линейного типа с непосредственно прифланцованным электродвигателем трехфазного тока и неразъемными валами или с промежуточными корпусами и муфтами жестко соединенных унифицированных электродвигателей (исполнение N).
Серия DPL предназначена для установки в трубах или на фундаменте. Консоли доступны в качестве дополнительных принадлежностей. С не зависящим от направления вращения скользящим торцовым уплотнением в кожухе с принудительным охлаждением и снижающим кавитацию синтетическим рабочим колесом.
Фланцы имеют отверстия R 1/8 для измерения давления. На корпус насоса и промежуточный корпус нанесено катафорезное покрытие.

См. подробное описание серии

Эксплуатационные параметры:

Температура окружающей среды: -15…40 °C
Максимальное рабочее давление: 10 bar
Индекс минимальной эффективности (MEI): ≥ 0,4

Жидкость:

Перекачиваемая жидкость: Вода или схожая по вязкости и плотности с водой жидкость, без твёрдых включений
Мин. температура перекачиваемой жидкости: -20 °C
Макс. температура перекачиваемой жидкости: 120 °C

Материалы:

Корпус насоса: 5.1301, EN-GJL-250
Рабочее колесо: PPE/PS-GF30
Вал: 1.4021, X20Cr13
Уплотнение вала: AQ1EGG
Фонарь: 5.1301, EN-GJL-250

Данные электрооборудования:

Класс эффективности электродвигателя: IE2
Подключение к сети: 3~400V/50 Hz
Допуск на колебание напряжения: ±10 %
Номинальная мощность Р2: 0,55 kW
Номинальная частота вращения: 1450 1/min
Номинальный ток: 1,45 A
Коэффициент мощности: 0,71
КПД электродвигателя m 50 %: 0,7 %
КПД электродвигателя m 75 %: 0,8 %
КПД электродвигателя m 100 %: 0,8 %
Класс нагревостойкости изоляции: F
Класс защиты: IP55
Защита электродвигателя:

Монтаж:

Присоединение к трубопроводу на стороне всасывания: DN 65, PN10
Присоединение к трубопроводу с напорной стороны: DN 65, PN10
Монтажная длина: 340 mm

Другое:

зделие: Wilo
Обозначение изделия: DPL 65/130-0,55/4 PN 10
Масса нетто прибл.: 60,8 kg
Артикульный номер: 2133207

Гидравлические характеристики:

Гидравлические характеристики насоса Wilo DPL 65/130-0,55/4 артикул: 2133207()

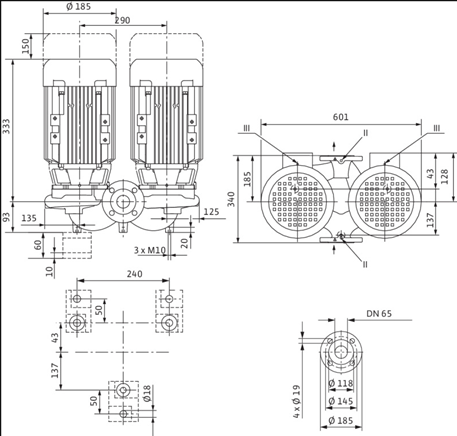
Габаритные размеры:

Габаритные размеры насоса Wilo DPL 65/130-0,55/4 артикул: 2133207()

Схема подключений:

Схема подключений насоса Wilo DPL 65/130-0,55/4 артикул: 2133207 ()

Отправить запрос — справа
close slider









Пролистать наверх