Артикул: 2089554Старый артикул: Стоимость: 824 453,2 руб. с НДССрок поставки: на складе или до 4-х недель
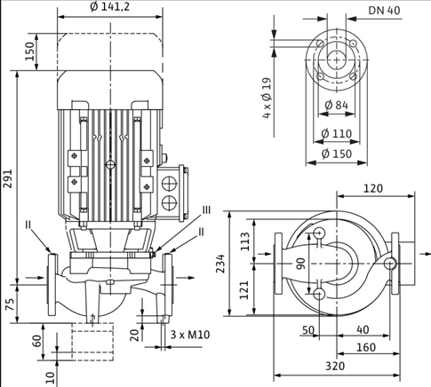
Масса нетто: 21,0 кг; Масса брутто: 22,2 кг; Габариты без учета упаковки, ДхШхВ: 366мм х 234мм х 320мм
Условия доставки см. в разделе: Оплата и доставка Отправить запрос |
Техническое описание:
Одноступенчатый центробежный насос с сухим ротором компактного линейного типа с прифланцованным электродвигателем трехфазного тока и цельным валом или с промежуточным корпусом и унифицированным электродвигателем (исполнение N), жестко присоединенным с помощью муфты. Серия IPL предназначена для установки в трубах или на фундаменте. Консоли доступны в качестве дополнительных принадлежностей. С не зависящим от направления вращения скользящим торцовым уплотнением в кожухе с принудительным охлаждением и снижающим кавитацию синтетическим рабочим колесом.
Фланцы имеют отверстия R 1/8 для измерения давления. На корпус насоса и промежуточный корпус нанесено катафорезное покрытие.
| См. подробное описание серии |
Эксплуатационные параметры:Температура окружающей среды: -15…+40 °C |
Жидкость:Перекачиваемая жидкость: Вода или схожая по вязкости и плотности с водой жидкость, без твёрдых включений |
Материалы:Корпус насоса: 5.1301, EN-GJL-250 |
Данные электрооборудования:Класс эффективности электродвигателя: IE2 |
Монтаж:Присоединение к трубопроводу на стороне всасывания: DN 40, PN10 |
Другое:Изделие: Wilo |

