Артикул: 2120949Старый артикул: (2089246) Стоимость: 3191 1786,96 руб. с НДССрок поставки: до 4-х недель
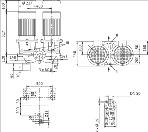
Масса нетто: 152,0 кг; Масса брутто: 178,0 кг; Габариты без учета упаковки, ДхШхВ: 637мм х 693мм х 440мм
Условия доставки см. в разделе: Оплата и доставка Отправить запрос |
Техническое описание:
Линейный сдвоенный насос с двумя одноступенчатыми центробежными насосами с сухим ротором в общем корпусе с перекидным клапаном для установки в трубах или на фундаменте. Фланцевая заглушка корпуса и консоли предоставляются за отдельную плату. Блочное исполнение с низким уровнем шума и вибрации с промежуточным корпусом и неподвижно присоединенным унифицированным (стандартным) электродвигателем с фланцевым креплением. С не зависящим от направления вращения скользящим торцовым уплотнением в кожухе с принудительным охлаждением и снижающим кавитацию рабочим колесом. Фланцы имеют отверстия R 1/8 для измерения давления. На корпус насоса и промежуточный корпус нанесено катафорезное покрытие.
| См. подробное описание серии |
Эксплуатационные параметры:Температура окружающей среды: -15…40 °C |
Жидкость:Перекачиваемая жидкость: Вода или схожая по вязкости и плотности с водой жидкость, без твёрдых включений |
Материалы:Корпус насоса: 5.1301, EN-GJL-250 |
Данные электрооборудования:Класс эффективности электродвигателя: IE3 |
Монтаж:Присоединение к трубопроводу на стороне всасывания: DN 50, PN16 |
Другое:Изделие: Wilo |

