Артикул: 2786124Старый артикул: 2034240R Стоимость: 3783 2118,48 руб. с НДССрок поставки: на складе или до 4-х недель
Масса нетто: 195,0 кг; Масса брутто: 195,0 кг; Габариты без учета упаковки, ДхШхВ: 1200мм х 800мм х 550мм
Условия доставки см. в разделе: Оплата и доставка Отправить запрос |
Техническое описание:
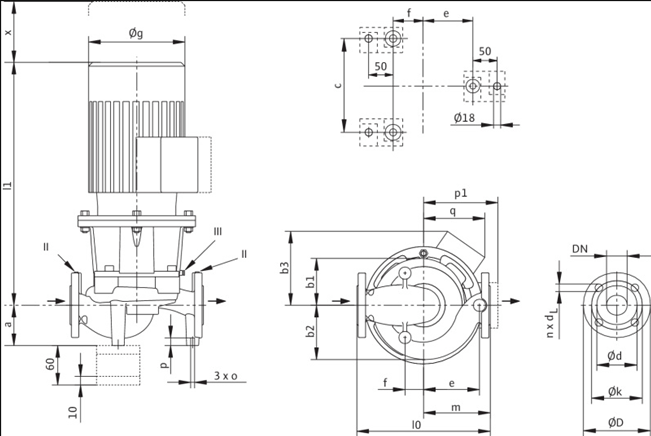
Одноступенчатый центробежный насос с сухим ротором линейного типа, предназначенный для установки в трубах или на фундаменте. Блочная конструкция с низким уровнем шума и вибрации, с фонарем и неподвижно присоединенным стандартным электродвигателем с фланцевым креплением (стандартный электродвигатель). С не зависящим от направления вращения скользящим торцевым уплотнением в кожухе с принудительным охлаждением и снижающим кавитацию рабочим колесом. Фланцы имеют штуцеры R 1/8 для измерения давления.
На корпус насоса и промежуточный корпус нанесено катафорезное покрытие.
| См. подробное описание серии |
Эксплуатационные параметры:Температура окружающей среды: -15…40 °C |
Жидкость:Перекачиваемая жидкость: Вода или схожая по вязкости и плотности с водой жидкость, без твёрдых включений |
Материалы:Корпус насоса: 5.1301, EN-GJL-250 (KTL coated) |
Данные электрооборудования:Класс эффективности электродвигателя: IE2 Подключение к сети: 3~400V/50 Hz Допуск на колебание напряжения: ±10 % Номинальная мощность Р2: 22 kW Номинальная частота вращения: 2900 1/min Номинальный ток: 37,5 A Коэффициент мощности: 0,85 КПД электродвигателя ?m 50 %: 89,5 % КПД электродвигателя ?m 75 %: 90,9 % КПД электродвигателя ?m 100 %: 91,3 % Класс нагревостойкости изоляции: F Класс защиты: IP55 Защита электродвигателя: |
Монтаж:Присоединение к трубопроводу на стороне всасывания: DN 80, PN16 Присоединение к трубопроводу с напорной стороны: DN 80, PN16 Монтажная длина: 500 mm |
Другое:Изделие: Wilo Обозначение изделия: IL 80/200-22/2 Масса нетто прибл.: 217 kg Артикульный номер: 2786124 |

