Артикул: 2786172Старый артикул: 2120908 Стоимость: 4881 2733,36 руб. с НДССрок поставки: от 4-х до 6-ти недель
Масса нетто: 296,0 кг; Масса брутто: 348,0 кг; Габариты без учета упаковки, ДхШхВ: 1084мм х 402мм х 475мм
Условия доставки см. в разделе: Оплата и доставка Отправить запрос |
Техническое описание:
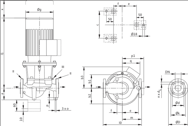
Одноступенчатый центробежный насос с сухим ротором линейного типа, предназначенный для установки в трубах или на фундаменте. Блочная конструкция с низким уровнем шума и вибрации, с фонарем и неподвижно присоединенным стандартным электродвигателем с фланцевым креплением (стандартный электродвигатель). С не зависящим от направления вращения скользящим торцевым уплотнением в кожухе с принудительным охлаждением и снижающим кавитацию рабочим колесом. Фланцы имеют штуцеры R 1/8 для измерения давления.
На корпус насоса и промежуточный корпус нанесено катафорезное покрытие.
| См. подробное описание серии |
Эксплуатационные параметры:Температура окружающей среды: -15…40 °C |
Жидкость:Перекачиваемая жидкость: Вода или схожая по вязкости и плотности с водой жидкость, без твёрдых включений |
Материалы:Корпус насоса: 5.1301, EN-GJL-250 (KTL coated) |
Данные электрооборудования:Класс эффективности электродвигателя: IE2 Подключение к сети: 3~400V/50 Hz Допуск на колебание напряжения: ±10 % Номинальная мощность Р2: 30 kW Номинальная частота вращения: 2900 1/min Номинальный ток: 52 A Коэффициент мощности: 0,85 КПД электродвигателя ?m 50 %: 89,6 % КПД электродвигателя ?m 75 %: 91,4 % КПД электродвигателя ?m 100 %: 92,0 % Класс нагревостойкости изоляции: F Класс защиты: IP55 Защита электродвигателя: |
Монтаж:Присоединение к трубопроводу на стороне всасывания: DN 65, PN16 Присоединение к трубопроводу с напорной стороны: DN 65, PN16 Монтажная длина: 475 mm |
Другое:Изделие: Wilo Обозначение изделия: IL 65/260-30/2 Масса нетто прибл.: 271 kg Артикульный номер: 2786172 |

