Артикул: 2458024Старый артикул: 2160662 Стоимость: 10188 5705,28 руб. с НДССрок поставки: по запросу
Масса нетто: 622,0 кг; Масса брутто: 735,0 кг; Габариты без учета упаковки, ДхШхВ: 1415мм х 940мм х 594мм
Условия доставки см. в разделе: Оплата и доставка Отправить запрос |
Техническое описание:
Одноступенчатый центробежный насос с сухим ротором линейного типа, предназначенный для установки в трубах или на фундаменте. Блочная конструкция с низким уровнем шума и вибрации, с фонарем и неподвижно присоединенным стандартным электродвигателем с фланцевым креплением (стандартный электродвигатель). С не зависящим от направления вращения скользящим торцевым уплотнением в кожухе с принудительным охлаждением и снижающим кавитацию рабочим колесом. Фланцы имеют штуцеры R 1/8 для измерения давления.
На корпус насоса и промежуточный корпус нанесено катафорезное покрытие.
| См. подробное описание серии |
Эксплуатационные параметры:Температура окружающей среды: -15…40 °C |
Жидкость:Перекачиваемая жидкость: Вода или схожая по вязкости и плотности с водой жидкость, без твёрдых включений |
Материалы:Корпус насоса: 5.1301, EN-GJL-250 (KTL coated) |
Данные электрооборудования:Класс эффективности электродвигателя: IE2 Подключение к сети: 3~400V/50 Hz Допуск на колебание напряжения: ±10 % Номинальная мощность Р2: 45 kW Номинальная частота вращения: 1450 1/min Номинальный ток: 83,3 A Коэффициент мощности: 0,83 КПД электродвигателя ?m 50 %: 91,9 % КПД электродвигателя ?m 75 %: 93,0 % КПД электродвигателя ?m 100 %: 93,1 % Класс нагревостойкости изоляции: F Класс защиты: IP55 Защита электродвигателя: |
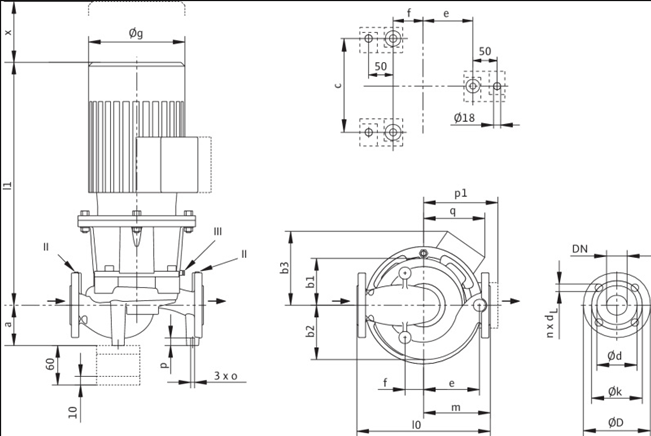
Монтаж:Присоединение к трубопроводу на стороне всасывания: DN 150, PN16 Присоединение к трубопроводу с напорной стороны: DN 150, PN16 Монтажная длина: 940 mm |
Другое:Изделие: Wilo Обозначение изделия: IL 150/370-45/4 Масса нетто прибл.: 622 kg Артикульный номер: 2458024 |

