Артикул: 2786192Старый артикул: 2120803 Стоимость: 5138 2877,28 руб. с НДССрок поставки: от 4-х до 8-ми недель
Масса нетто: 284,0 кг; Масса брутто: 295,0 кг; Габариты без учета упаковки, ДхШхВ: 1025мм х 508мм х 700мм
Условия доставки см. в разделе: Оплата и доставка Отправить запрос |
Техническое описание:
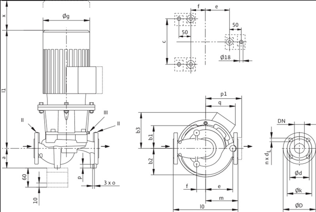
Одноступенчатый центробежный насос с сухим ротором линейного типа, предназначенный для установки в трубах или на фундаменте. Блочная конструкция с низким уровнем шума и вибрации, с фонарем и неподвижно присоединенным стандартным электродвигателем с фланцевым креплением (стандартный электродвигатель). С не зависящим от направления вращения скользящим торцевым уплотнением в кожухе с принудительным охлаждением и снижающим кавитацию рабочим колесом. Фланцы имеют штуцеры R 1/8 для измерения давления.
На корпус насоса и промежуточный корпус нанесено катафорезное покрытие.
| См. подробное описание серии |
Эксплуатационные параметры:Температура окружающей среды: -15…40 °C |
Жидкость:Перекачиваемая жидкость: Вода или схожая по вязкости и плотности с водой жидкость, без твёрдых включений |
Материалы:Корпус насоса: 5.1301, EN-GJL-250 (KTL coated) |
Данные электрооборудования:Класс эффективности электродвигателя: IE2 Подключение к сети: 3~400V/50 Hz Допуск на колебание напряжения: ±10 % Номинальная мощность Р2: 15 kW Номинальная частота вращения: 1450 1/min Номинальный ток: 28,8 A Коэффициент мощности: 0,83 КПД электродвигателя ?m 50 %: 89,5 % КПД электродвигателя ?m 75 %: 90,5 % КПД электродвигателя ?m 100 %: 90,6 % Класс нагревостойкости изоляции: F Класс защиты: IP55 Защита электродвигателя: |
Монтаж:Присоединение к трубопроводу на стороне всасывания: DN 125, PN16 Присоединение к трубопроводу с напорной стороны: DN 125, PN16 Монтажная длина: 700 mm |
Другое:Изделие: Wilo Обозначение изделия: IL 125/300-15/4 Масса нетто прибл.: 270 kg Артикульный номер: 2786192 |

