Артикул: 2159321Старый артикул: 2083003 Стоимость: 5307 2971,92 руб. с НДССрок поставки: до 4-х недель
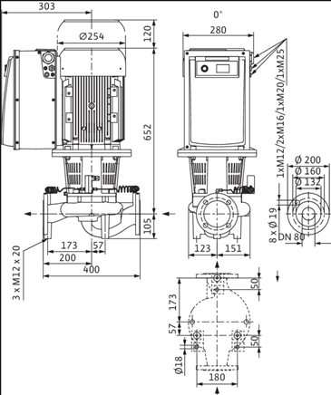
Масса нетто: 107,4 кг; Масса брутто: 107,4 кг; Габариты без учета упаковки, ДхШхВ: 936мм х 274мм х 503мм
Условия доставки см. в разделе: Оплата и доставка Отправить запрос |
Техническое описание:
Центробежный насос с сухим ротором линейного типа для установки в трубах или на фундаменте со встроенным частотным преобразователем для электронного регулирования параметров, в том числе постоянного или переменного перепада давления (Δp-c/Δp-v).
Тип:
— Одноступенчатый низконапорный центробежный насос
— Спиральный корпус линейного исполнения (всасывающий и напорный патрубок с одинаковыми фланцами в одной линии), фланец PN 16 – с отверстием согласно EN 1092-2
— Штуцеры для замера давления (R 1/8) для смонтированных дифференциальных датчиков давления (исполнение …-R1 без датчика)
— Серийные корпус насоса и фланец электродвигателя с катафорезным покрытием.
— Скользящее торцовое уплотнение для перекачивания воды до T=140 °C. До Tmax= +40 °C допустимо применение гликолевой примеси с объемной долей от 20 до 40 %.
— Специальные скользящие торцовые уплотнения для смесей воды/гликоля, отличных от 20–40 % объемной доли гликоля, а также для температуры перекачиваемой жидкости ≤ 40 °C или других сред, кроме воды (повышенная цена).
Принадлежности:
— консоли для крепления к фундаменту;
— IR-монитор;
— IR-модуль;
— IF-модуль PLR
— IF-модуль LON
— IF-модуль Modbus;
— IF-модуль BACnet;
— IF-модуль CAN.
— Системы регулирования VR-HVAC/CCe-HVAC/SCe-HVAC
— Комплекты дифференциальных датчиков давления (DDG) 0-10 В для насосов в исполнении …–R1
Серийное оснащение:
— Однокнопочная панель управления для следующих функций:
— Включение/выключение насоса
— Установка заданного значения или числа оборотов
— выбор способа регулирования: Δp-c (постоянный перепад давления), Δp-v (переменный перепад давления), ПИД-регулятор, n-постоянный (ручной режим управления);
— выбор режима работы при совместной работе двух насосов (основной/резервный режим работы, режим совместной работы двух насосов);
— конфигурация рабочих параметров;
— Квитирование ошибок
— Экран насоса для индикации следующих параметров:
— Способ регулирования
— заданное значение (напр., перепад давления или частота вращения);
— сообщения об ошибках и предупреждения;
— текущие значения (напр., потребляемая мощность, текущее значение датчика);
— эксплуатационные данные (напр., количество часов работы, расход энергии);
— данные о состоянии (например, состояние реле SSM и SBM);
— данные об устройстве (напр., название насоса);
Дополнительные функции:
— Интерфейсы: управляющий вход «Выкл. по приоритету», «Внешняя смена насосов» (действует только в режиме работы сдвоенного насоса), аналоговый вход 0–10 В, 2–10 В, 0–20 мА, 4–20 мА для режима управления (DDC) или дистанционного регулирования заданных значений, аналоговый вход 0–10 В, 2–10 В, 0–20 мА, 4–20 мА для сигнала текущего значения датчика давления, IR-интерфейс для беспроводной связи с устройством управления и сервисного обслуживания – IR-картой памяти/IR-монитором Wilo, разъем для IF-модуля Wilo для связи с автоматизированной системой управления зданием, настраиваемая беспотенциальная система оповещения о неисправностях, эксплуатации и готовности, интерфейс для связи со сдвоенными насосами
— Трехфазный электродвигатель с частотным преобразователем
— Встроенная система управления сдвоенными насосами
— устанавливаемый временной интервал для смены работы насосов (в режиме работы сдвоенного насоса);
— Встроенная полная защита электродвигателя
— различные режимы работы для систем отопления (HV) или кондиционирования (AC);
— Блокировка доступа
— различные панели управления: стандартная/обслуживание
| См. подробное описание серии |
Эксплуатационные параметры:Температура окружающей среды: 0…40 °C |
Жидкость:Перекачиваемая жидкость: Вода или схожая по вязкости и плотности с водой жидкость, без твёрдых включений |
Материалы:Корпус насоса: 5.1301, EN-GJL-250 (KTL coated) |
Данные электрооборудования:Класс эффективности электродвигателя: IE4 |
Монтаж:Присоединение к трубопроводу на стороне всасывания: DN 80, PN16 |
Другое:Изделие: Wilo |

