[elementor-template id=»15025″]
Техническое описание:
|
Grundfos UPS 32-70 180 1x230V 50Hz 9H артикул: 96621355 — это насос, оснащенный электродвигателем с мокрым ротором и защищенным статором, без сальниковых уплотнений, с двумя уплотнительными кольцами. Подшипники смазываются перекачиваемой жидкостью.
Характеристики насоса:
- Керамические вал и радиальные подшипники.
- Осевой подшипник из графита.
- Гильза ротора и опорный подшипник сделаны из нержавеющей стали.
- Коррозионно-стойкое рабочее колесо, Составной, PES/PP.
- Корпус насоса из чугуна или нержавеющей мтали.
См. подробное описание серии |
Технические данные:
Количество скоростей 3
Макс гидростатический напор 70 дм
TF класс 95
Данные на фирменной табличке AAA,EAC |
Жидкость:
Рабочая жидкость Вода
Диапазон температур жидкости 2 .. 95 °C
Температура перекачиваемой жидкости 60 °C
Плотность 983.2 кг/м3 |
Материалы:
Корпус насоса Чугун
Корпус насоса EN-JL1030
Корпус насоса ASTM 30 B
Рабочее колесо Составной, PES/PP |
Данные электрооборудования:
Потребляемая мощность при скорости 1 95 Вт
Потребляемая мощность при скорости 2 120 Вт
Макс. потребляемая мощность 140 Вт
Частота питающей сети 50 Hz
Номинальное напряжение 1 x 230 В
Ток при частоте вращения 1 0.45 A
Ток при частоте вращения 2 0.56 A
Ток при скорости 3 0.62 A
Размер конденсатора — работа 2.5 мкФ
Степень защиты (IEC 34-5) IP44
Класс изоляции (IEC 85) H
Защита электродвигателя Отсутс.
Тепловая защита Сопротивление защиты |
Монтаж:
Макс. рабочее давление 10 бар
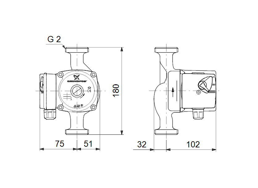
Соединение труб G 2
Допустимое давление PN 10
Монтажная длина 180 мм |
Другое:
Нетто вес 2.6 кг
Вес(Брутто) 2.8 кг
Объем упаковки 0.004 м3 |
Гидравлические характеристики:

Габаритные размеры:

Документация:
[elementor-template id=»75833″]