[elementor-template id=»15025″]
Техническое описание:
|
Grundfos UPS 25-120 180 1x230V 50Hz 9H артикул: 52588336 — это насос, оснащенный электродвигателем с мокрым ротором и защищенным статором, без сальниковых уплотнений, с двумя уплотнительными кольцами. Подшипники смазываются перекачиваемой жидкостью.
Характеристики насоса:
- Керамические вал и радиальные подшипники.
- Осевой подшипник из графита.
- Гильза ротора и опорный подшипник сделаны из нержавеющей стали.
- Коррозионно-стойкое рабочее колесо, Составной, PES/PP.
- Корпус насоса из чугуна или нержавеющей мтали.
См. подробное описание серии |
Технические данные:
Количество скоростей 3
Макс гидростатический напор 120 дм
TF класс 95
Данные на фирменной табличке AAA,EAC |
Жидкость:
Рабочая жидкость Вода
Диапазон температур жидкости -25 .. 95 °C
Температура перекачиваемой жидкости 60 °C
Плотность 983.2 кг/м3 |
Материалы:
Корпус насоса Чугун
Корпус насоса EN-JL1030
Корпус насоса ASTM 30 B
Рабочее колесо Составной, PES/PP |
Данные электрооборудования:
Потребляемая мощность при скорости 1 120 Вт
Потребляемая мощность при скорости 2 180 Вт
Макс. потребляемая мощность 235 Вт
Частота питающей сети 50 Hz
Номинальное напряжение 1 x 230 В
Ток при частоте вращения 1 0.53 A
Ток при частоте вращения 2 0.78 A
Ток при скорости 3 1.02 A
Размер конденсатора — работа 6 мкФ
Степень защиты (IEC 34-5) X2D
Класс изоляции (IEC 85) F
Защита электродвигателя CONTACT
Тепловая защита внутрен. |
Монтаж:
Макс.T окр.среды при темп-ре жидкости 80 0C 80 °C
Макс. рабочее давление 10 бар
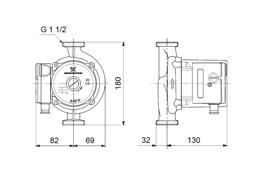
Соединение труб G 1 1/2
Допустимое давление PN 10
Монтажная длина 180 мм |
Другое:
Положение коробки выводов 9H
Нетто вес 4.4 кг
Вес(Брутто) 4.6 кг
Объем упаковки 0.006 м3 |
Гидравлические характеристики:

Габаритные размеры:

Документация:
[elementor-template id=»75833″]