![]() |
Артикул: 97710545Стоимость: по запросуСрок поставки: по запросу
Условия доставки см. в разделе: Оплата и доставка Отправить запрос |
Техническое описание:
|
Grundfos NBE 50-250/205 AF2KBQQE, артикул: 97710545 — несамовсасывающий, одноступенчатый, центробежный, консольно-моноблочный насос со спиральной направляющей камерой разработан в соответствии с ISO 5199, при этом его размер и номинальная мощность соответствуют EN 733 (10 бар). Фланцы — PN 16 с размерами в соответствии с EN 1092-2. Насос имеет осевой всасывающий патрубок, радиальный напорный патрубок, горизонтальный вал и конструкцию со съёмной задней частью, обеспечивающей возможность демонтажа электродвигателя, фонаря, крышки и рабочего колеса без демонтажа корпуса насоса или трубопроводов. Несбалансированное резиновое сильфонное уплотнение в соответствии с DIN EN 12756. Насос напрямую соединён с синхронным электродвигателем на постоянных магнитах с воздушным охлаждением. Электродвигатель включает частотный преобразователь и ПИ-регулятор в клеммной коробке. Это обеспечивает постоянное плавное регулирование частоты вращения электродвигателя, а также возможность корректировки рабочих характеристик в соответствии с заданными требованиями. |
Технические данные:Скорость насоса, при которой расчитаны его характеристики 2930 об/м |
Жидкость:Рабочая жидкость Вода |
Материалы:Корпус насоса Нержавеющая сталь |
Данные электрооборудования:Класс энергоэфф-ти IE3 |
Монтаж:Максимальная температура окружающей среды 40 °C |
Управление:Панель управления Стандарт |
|
|
Другое:Минимальный индекс эффективности, MEI ? 0.67 |
Гидравлические характеристики:
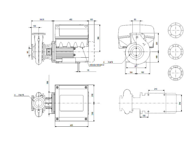
Габаритные размеры:
Деталировка:


| поз.6 | Корпус (Улитка) | поз.51 | Вал |
| поз.45 | Щелевое уплотнение | поз.72а | Уплотнительное кольцо O-Ring |
| поз.49 | Рабочее колесо | поз.105 | Торцевое уплотнение |


