![]() |
Артикул: 95109813Стоимость: по запросуСрок поставки: по запросу
Условия доставки см. в разделе: Оплата и доставка Отправить запрос |
Техническое описание:
|
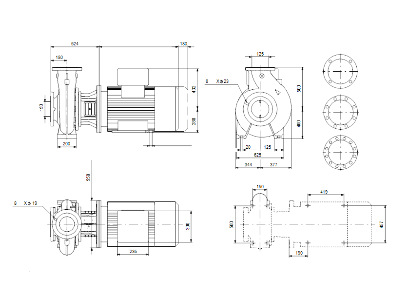
Grundfos NB 125-500/473 A-F2-A-E-BAQE, артикул: 95109813 — несамовсасывающий, одноступенчатый, центробежный, консольно-моноблочный насос со спиральной направляющей камерой разработан в соответствии с ISO 5199, при этом его размер и номинальная мощность соответствуют EN 733 (10 бар). Фланцы — PN 16 с размерами в соответствии с EN 1092-2. Насос имеет осевой всасывающий патрубок, радиальный напорный патрубок, горизонтальный вал и конструкцию со съёмной задней частью, обеспечивающей возможность демонтажа электродвигателя, фонаря, крышки и рабочего колеса без демонтажа корпуса насоса или трубопроводов. Несбалансированное резиновое сильфонное уплотнение в соответствии с DIN EN 12756. Насос напрямую соединён с асинхронным электродвигателем с воздушным охлаждением. Насосы Grundfos NB 125-500/473 A-F2-A-E-BAQE могут применяться в системах водоснабжения, теплоснабжения, пожаротушения, вентиляции, орошения, а также в различных технологических и промышленных процессах. Большой выбор нестандартных исполнений, материалов, торцевых уплотнений обуславливает применение данных насосов для решения практически любых задач, связанных с транспортировкой жидкостей. |
Технические данные:Скорость насоса, при которой расчитаны его характеристики 1486 об/м |
Жидкость:Рабочая жидкость Вода |
Материалы:Корпус насоса Чугун |
Данные электрооборудования:Тип электродвигателя SIEMENS |
Монтаж:Максимальная температура окружающей среды 40 °C |
Управление: |
|
|
Другое:Минимальный индекс эффективности, MEI ? 0.50 |
Гидравлические характеристики:
Габаритные размеры:
Деталировка:

| поз.6 | Корпус (Улитка) | поз.51 | Вал |
| поз.45 | Щелевое уплотнение | поз.72а | Уплотнительное кольцо O-Ring |
| поз.49 | Рабочее колесо | поз.105 | Торцевое уплотнение |


