[elementor-template id=»15025″]
Техническое описание:
|
Grundfos SV014CU50B, артикул: 96249068 — несамовсасывающий одноступенчатый центробежный насос, предназначенный для перекачивания сточных вод, технологических вод и неочищенных сточных вод, не пропущенных через решетку. Насос предназначен для периодической и непрерывной эксплуатации в погруженном положении. Канализационный насос оборудован погружным электродвигателей и камерой торцевого уплотнение. Для облегчения транспортировки, а также монтажа на месте насос оснащен прочным подъемным кронштейном. При монтаже на автоматической трубной муфте система уплотнения Grundfos SmartSeal обеспечивает герметичное соединение. Соединения трубопроводов обеспечиваются с использованием фланца DIN.
Рабочее колесо насоса предназначено для перекачивания загрязненных жидкостей, в том числе фекального или поверхностного стока, ливневых сточных вод.
Насос может быть установлен в канализационных насосных станциях, резервуарах, колодцах.
См. подробное описание серии |
Технические данные:
Maкс. расход 18.1 л/с
Макс. гидростатический напор 9 м
Тип рабочего колеса SUPERVORTEX
Максимальный размер частицы 80 мм
Первичное уплотнение вала SIC-SIC
Вторичное уплотнение вала SIC-CARBON
Охлаждающий кожух N |
Жидкость:
Рабочая жидкость Любая вязкая жидкость
Максимальная температура жидкости 40 °C
Плотность 998.2 кг/м3 |
Материалы:
Корпус насоса EN-JL1040
Рабочее колесо EN-JS1050
Электродвигатель EN-JL1040 |
Данные электрооборудования:
Потребляемая мощность — P1 2.3 кВт
Номинальная мощность — P2 1.7 кВт
Частота питающей сети 50 Hz
Номинальное напряжение 3 x 400-415 В
Допуст.откл-е напряж +10/-10 %
Макс. число пусков в час 25
Максимальное потребление тока 4.4 A
Пусковой ток 27 A
Номинальная скорость 1448 об/м
Эффективность электродвигателя при полной нагрузке 0.75 %
Эффективность двигателя при 3/4 нагрузки 0.73 %
Эффективность электродвигателя при 1/2 нагрузки 0.7 %
Количество полюсов 4
Способ запуска прямой пуск
Степень защиты (IEC 34-5) IP68
Класс изоляции (IEC 85) F
Взрывозащищенное исполнение нет
Защита электродвигателя KLIXON
Длина кабеля 10 м
Тип кабеля H07RN-F AT
Сечение кабеля 1X7X1,5MM2
Сопротивление изоляции кабеля 13.30 мОм/м
Winding resistance 3140.000 Ohm
R 3273 Ohm
Cos phi 1/1 0.74
Cos phi 1/2 0.57
Cos phi 3/4 0.67 |
Монтаж:
Диапазон температуры окружающей среды -20 .. 40 °C
Трубное присоединение DIN
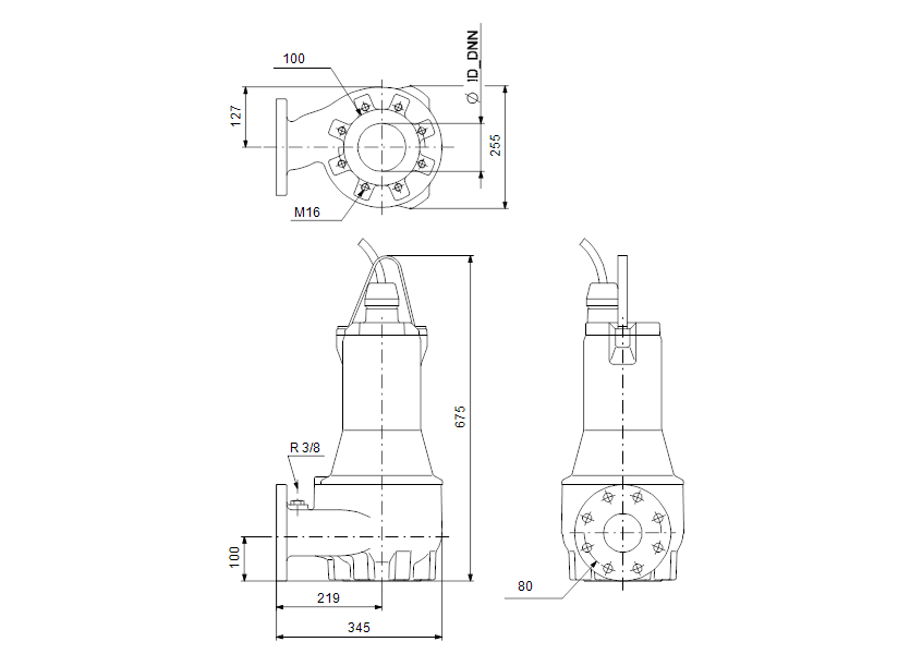
Размер всасывающего патрубка DN 100
Размер напорного патрубка DN 80
Допустимое давление PN 10
Максимальная глубина установки 20 м
Установка U
Установка сухая / мокрая D/S
Автоматическая трубная муфта 96090993
Модельный ряд 34 |
Управление:
Реле влажности c реле влажности
Датчик воды в масле без датчика воды в масле |
|
Другое:
Нетто вес 74 кг |
Гидравлические характеристики:

Габаритные размеры:

Деталировка:

Документация:
[elementor-template id=»386730″]
[elementor-template id=»162759″]