![]() |
Артикул: 96114438Стоимость: по запросуСрок поставки: по запросу
Условия доставки см. в разделе: Оплата и доставка Отправить запрос |
Техническое описание:
|
Grundfos S3A1306E6A511, артикул: 96114438 — несамовсасывающий одноступенчатый центробежный насос, предназначенный для перекачивания сточных вод, технологических вод и неочищенных сточных вод, не пропущенных через решетку. Насос предназначен для периодической и непрерывной эксплуатации в погруженном положении. Канализационный насос оборудован погружным электродвигателей и камерой торцевого уплотнение. Для облегчения транспортировки, а также монтажа на месте насос оснащен прочным подъемным кронштейном. При монтаже на автоматической трубной муфте система уплотнения Grundfos SmartSeal обеспечивает герметичное соединение. Соединения трубопроводов обеспечиваются с использованием фланца DIN. Насос может быть установлен в канализационных насосных станциях, резервуарах, колодцах. |
Технические данные:Maкс. расход 1070 л/с |
Жидкость:Рабочая жидкость Любая вязкая жидкость |
Материалы:Корпус насоса EN-JL1040 |
Данные электрооборудования:Потребляемая мощность — P1 141 кВт |
Монтаж:Диапазон температуры окружающей среды -20 .. 40 °C |
Управление:Реле влажности c реле влажности |
|
|
Другое:Нетто вес 2000 кг |
Гидравлические характеристики:
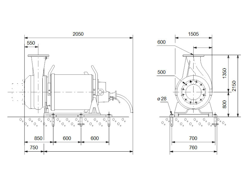
Габаритные размеры:
Деталировка:



