[elementor-template id=»15025″]
Техническое описание:
|
Grundfos S3.135.600.1050.12.74E.D.616.G.EX.D.61G, артикул: 99156629 — несамовсасывающий одноступенчатый центробежный насос, предназначенный для перекачивания сточных вод, технологических вод и неочищенных сточных вод, не пропущенных через решетку. Насос предназначен для периодической и непрерывной эксплуатации в погруженном положении. Канализационный насос оборудован погружным электродвигателей и камерой торцевого уплотнение. Для облегчения транспортировки, а также монтажа на месте насос оснащен прочным подъемным кронштейном. При монтаже на автоматической трубной муфте система уплотнения Grundfos SmartSeal обеспечивает герметичное соединение. Соединения трубопроводов обеспечиваются с использованием фланца DIN.
Рабочее колесо насоса предназначено для перекачивания загрязненных жидкостей, в том числе фекального или поверхностного стока, ливневых сточных вод.
Насос может быть установлен в канализационных насосных станциях, резервуарах, колодцах.
См. подробное описание серии |
Технические данные:
Maкс. расход 1210 л/с
Макс. гидростатический напор 13.6 м
Текущий диаметр рабочего колеса 616 мм
Тип рабочего колеса 3-канальный
Максимальный размер частицы 135 мм
Первичное уплотнение вала SIC-SIC
Вторичное уплотнение вала SIC-CARBON
Сертификаты на шильдике CE,EAC,ATEX,IECEx
Охлаждающий кожух Y |
Жидкость:
Рабочая жидкость Любая вязкая жидкость
Диапазон температур жидкости 0 .. 40 °C
Плотность 998.2 кг/м3 |
Материалы:
Корпус насоса Ковкое железо
Корпус насоса EN 1563 EN-GJS-500-7
Корпус насоса AISI ASTM A536 70-50-05
Рабочее колесо Ковкое железо
Рабочее колесо EN 1563 EN-GJS-500-7
Рабочее колесо AISI ASTM A536 70-50-05
Электродвигатель Ковкое железо
Электродвигатель EN 1563 EN-GJS-500-7
Электродвигатель AISI ASTM A536 70-50-05 |
Данные электрооборудования:
Потребляемая мощность — P1 115 кВт
Номинальная мощность — P2 105 кВт
Частота питающей сети 60 Hz
Номинальное напряжение 3 x 380/660 В
Допуст.откл-е напряж +10/-10 %
Макс. число пусков в час 10
Номинальный ток 237/137 A
Максимальное потребление тока 237 A
Пусковой ток 1260 A
Расчетное значение тока без нагрузки 104 A
Номинальная скорость 595 об/м
Эффективность электродвигателя при полной нагрузке 91 %
Эффективность двигателя при 3/4 нагрузки 91 %
Эффективность электродвигателя при 1/2 нагрузки 90 %
Количество полюсов 12
Способ запуска звезда/треуг.
Степень защиты (IEC 34-5) IP68
Класс изоляции (IEC 85) F
Взрывозащищенное исполнение да
Стандарт. Ex-защиты EN60079-0/EN60079-1
Защита электродвигателя KLIXON
Длина кабеля 10 м
Тип кабеля H07RN-F AT
Сечение кабеля 2X4X70MM2+1X10X1,5MM2
Сопротивление изоляции кабеля 0.27 мОм/м
Winding resistance 0.041 Ohm
Cos phi 1/1 0.74
Cos phi 1/2 0.58
Cos phi 3/4 0.69 |
Монтаж:
Диапазон температуры окружающей среды 0 .. 40 °C
Стандарт трубного присоединения DIN
Размер всасывающего патрубка DN 600
Размер напорного патрубка DN 600
Допустимое давление PN 10
Максимальная глубина установки 20 м
Установка D
Установка сухая / мокрая DRY
Вертикальная установка 96256025
Модельный ряд 74 |
Управление:
Реле влажности c реле влажности
Датчик воды в масле с датчиком воды в масле |
|
Другое:
Нетто вес 3670 кг
Вес(Брутто) 3910 кг |
Гидравлические характеристики:

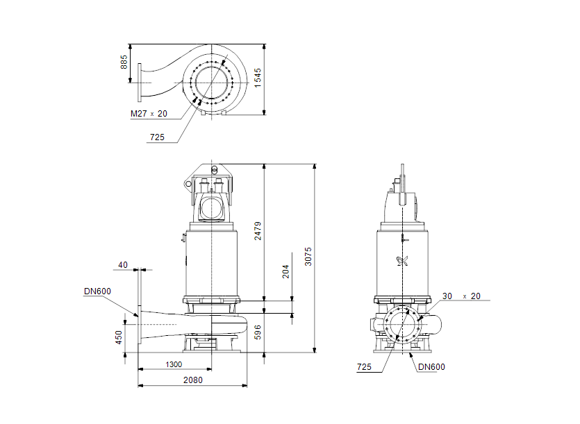
Габаритные размеры:

Деталировка:

Документация:
[elementor-template id=»386730″]
[elementor-template id=»162759″]