[elementor-template id=»15025″]
Техническое описание:
Grundfos S2.100.200.590.4.62L.C.272.G.N.D.611, артикул: 97535326 — несамовсасывающий одноступенчатый центробежный насос, предназначенный для перекачивания сточных вод, технологических вод и неочищенных сточных вод, не пропущенных через решетку. Насос предназначен для периодической и непрерывной эксплуатации в погруженном положении. Канализационный насос оборудован погружным электродвигателей и камерой торцевого уплотнение. Для облегчения транспортировки, а также монтажа на месте насос оснащен прочным подъемным кронштейном. При монтаже на автоматической трубной муфте система уплотнения Grundfos SmartSeal обеспечивает герметичное соединение. Соединения трубопроводов обеспечиваются с использованием фланца DIN.
Рабочее колесо насоса предназначено для перекачивания загрязненных жидкостей, в том числе фекального или поверхностного стока, ливневых сточных вод.
Насос может быть установлен в канализационных насосных станциях, резервуарах, колодцах.
См. подробное описание серии |
Технические данные:
Maкс. расход: 345 л/с
Макс. гидростатический напор: 37 м
Текущий диаметр рабочего колеса: 265 мм
Тип рабочего колеса: 2-канальный
Максимальный размер частицы: 100 мм
Первичное уплотнение вала: SIC-SIC
Вторичное уплотнение вала: SIC-CARBON
Допуски по рабочим хар-кам: ISO9906:2012 3B |
Жидкость:
Диапазон температур жидкости: 0 .. 40 °C
Плотность: 998.2 кг/м3 |
Материалы:
Корпус насоса: Чугун
Корпус насоса: EN 1561 EN-GJL-250
Корпус насоса: AISI A48 30
Рабочее колесо: Чугун
Рабочее колесо: EN 1561 EN-GJL-250
Рабочее колесо: AISI A48 30
Электродвигатель: Чугун
Электродвигатель: EN 1561 EN-GJL-250
Электродвигатель: AISI A48 30 |
Данные электрооборудования:
Потребляемая мощность — P1: 66 кВт
Номинальная мощность — P2: 59 кВт
Частота питающей сети: 60 Hz
Номинальное напряжение: 3 x 460 В
Допуст.откл-е напряж: +10/-10 %
Макс. число пусков в час: 15
Номинальный ток: 105/ A
Максимальное потребление тока: 105 A
Пусковой ток: 579 A
Расчетное значение тока без нагрузки: 41 A
Номинальная скорость: 1768 об/м
Эффективность электродвигателя при полной нагрузке: 90 %
Эффективность двигателя при 3/4 нагрузки: 90 %
Эффективность электродвигателя при 1/2 нагрузки: 88 %
Количество полюсов: 4
Способ запуска: звезда/треуг.
Степень защиты (IEC 34-5): IP68
Класс изоляции (IEC 85): F
Взрывозащищенное исполнение: нет
Защита электродвигателя: KLIXON
Длина кабеля: 10 м
Тип кабеля: H07RN-F AT
Сечение кабеля: 2X4X16MM2+1X7X1,5MM2
Сопротивление изоляции кабеля: 1.21 мОм/м
Winding resistance: 0.121 Ohm
Cos phi 1/1: 0.79
Cos phi 1/2: 0.61
Cos phi 3/4: 0.72 |
Монтаж:
Максимальная температура окружающей среды: 40 °C
Трубное присоединение: DIN
Размер напорного патрубка: DN 200
Максимальная глубина установки: 20 м
Установка: С
Установка сухая / мокрая: D/S
Автоматическая трубная муфта: 96641489
Модельный ряд: 62 |
Управление:
Реле влажности: c реле влажности
Датчик воды в масле: без датчика воды в масле |
|
Другое:
Нетто вес: 730 кг
Вес(Брутто): 840 кг |
Гидравлические характеристики:

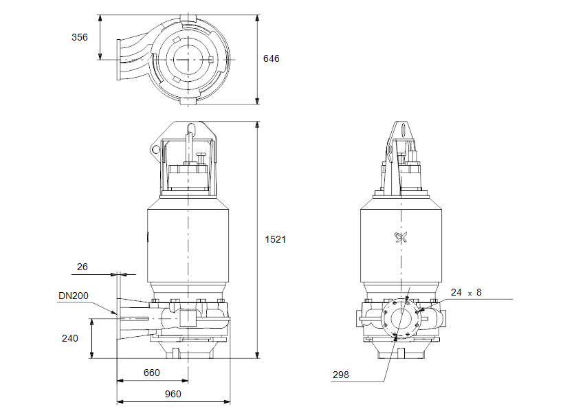
Габаритные размеры:

Деталировка:

Документация:
[elementor-template id=»386730″]
[elementor-template id=»162759″]