[elementor-template id=»15025″]
Техническое описание:
|
Grundfos S1.80.200.125.4.50E.S.244.G.N.D.513, артикул: 96776481 — несамовсасывающий одноступенчатый центробежный насос, предназначенный для перекачивания сточных вод, технологических вод и неочищенных сточных вод, не пропущенных через решетку. Насос предназначен для периодической и непрерывной эксплуатации в погруженном положении. Канализационный насос оборудован погружным электродвигателей и камерой торцевого уплотнение. Для облегчения транспортировки, а также монтажа на месте насос оснащен прочным подъемным кронштейном. При монтаже на автоматической трубной муфте система уплотнения Grundfos SmartSeal обеспечивает герметичное соединение. Соединения трубопроводов обеспечиваются с использованием фланца DIN.
Рабочее колесо насоса предназначено для перекачивания загрязненных жидкостей, в том числе фекального или поверхностного стока, ливневых сточных вод.
Насос может быть установлен в канализационных насосных станциях, резервуарах, колодцах.
См. подробное описание серии |
Технические данные:
Maкс. расход 160 л/с
Макс. гидростатический напор 12.2 м
Текущий диаметр рабочего колеса 244 мм
Тип рабочего колеса 1-канальный
Максимальный размер частицы 80 мм
Первичное уплотнение вала SIC-SIC
Вторичное уплотнение вала SIC-CARBON
Сертификаты на шильдике CE, EAC
Допуски по рабочим хар-кам ISO9906:2012 3B
Охлаждающий кожух N |
Жидкость:
Рабочая жидкость Любая вязкая жидкость
Диапазон температур жидкости 0 .. 40 °C
Плотность 998.2 кг/м3 |
Материалы:
Корпус насоса Чугун
Корпус насоса EN 1561 EN-GJL-250
Корпус насоса AISI A48 30
Рабочее колесо Чугун
Рабочее колесо EN 1561 EN-GJL-250
Рабочее колесо AISI A48 30
Электродвигатель Чугун
Электродвигатель EN 1561 EN-GJL-250
Электродвигатель AISI A48 30 |
Данные электрооборудования:
Потребляемая мощность — P1 15 кВт
Номинальная мощность — P2 12.5 кВт
Частота питающей сети 50 Hz
Номинальное напряжение 3 x 415 В
Допуст.откл-е напряж +10/-10 %
Макс. число пусков в час 20
Номинальный ток 25/ A
Максимальное потребление тока 25 A
Пусковой ток 199 A
Расчетное значение тока без нагрузки 10.6 A
Номинальная скорость 1441 об/м
Эффективность электродвигателя при полной нагрузке 84 %
Эффективность двигателя при 3/4 нагрузки 84 %
Эффективность электродвигателя при 1/2 нагрузки 81 %
Количество полюсов 4
Способ запуска звезда/треуг.
Степень защиты (IEC 34-5) IP68
Класс изоляции (IEC 85) F
Взрывозащищенное исполнение нет
Защита электродвигателя KLIXON
Длина кабеля 10 м
Тип кабеля H07RN-F AT
Сечение кабеля 1X7X2,5MM2+1X7X1,5MM2
Сопротивление изоляции кабеля 7.98 мОм/м
Winding resistance 1.260 Ohm
Cos phi 1/1 0.84
Cos phi 1/2 0.66
Cos phi 3/4 0.78 |
Монтаж:
Максимальная температура окружающей среды 40 °C
Трубное присоединение DIN
Размер напорного патрубка DN 200
Допустимое давление PN 10
Максимальная глубина установки 20 м
Установка S
Установка сухая / мокрая S
Автоматическая трубная муфта 96641489
Основание 96789480
Модельный ряд 50 |
Управление:
Реле влажности c реле влажности
Датчик воды в масле без датчика воды в масле |
|
Другое:
Нетто вес 350 кг
Вес(Брутто) 440 кг |
Гидравлические характеристики:

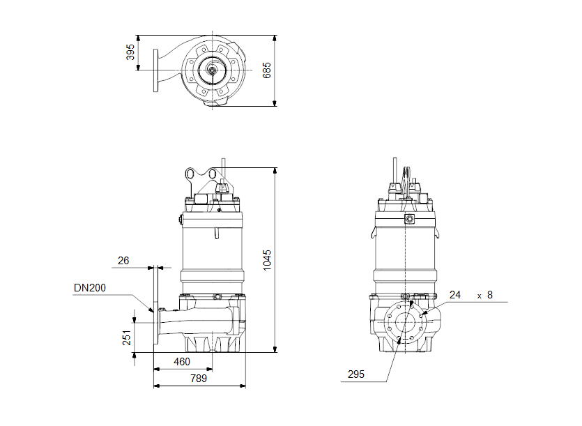
Габаритные размеры:

Деталировка:

Документация:
[elementor-template id=»386730″]
[elementor-template id=»162759″]