[elementor-template id=»15025″]
Техническое описание:
|
Grundfos S1.40.A80.210.4.54L.H.222.Q.N.D.63A, артикул: 97647783 — несамовсасывающий одноступенчатый центробежный насос, предназначенный для перекачивания сточных вод, технологических вод и неочищенных сточных вод, не пропущенных через решетку. Насос предназначен для периодической и непрерывной эксплуатации в погруженном положении. Канализационный насос оборудован погружным электродвигателей и камерой торцевого уплотнение. Для облегчения транспортировки, а также монтажа на месте насос оснащен прочным подъемным кронштейном. При монтаже на автоматической трубной муфте система уплотнения Grundfos SmartSeal обеспечивает герметичное соединение. Соединения трубопроводов обеспечиваются с использованием фланца DIN.
Рабочее колесо насоса предназначено для перекачивания загрязненных жидкостей, в том числе фекального или поверхностного стока, ливневых сточных вод.
Насос может быть установлен в канализационных насосных станциях, резервуарах, колодцах.
См. подробное описание серии |
Технические данные:
Maкс. расход 153 л/с
Макс. гидростатический напор 22 м
Текущий диаметр рабочего колеса 222 мм
Тип рабочего колеса 1-канальный
Максимальный размер частицы 100 мм
Первичное уплотнение вала SIC-SIC
Вторичное уплотнение вала SIC-CARBON
Допуски по рабочим хар-кам ANSI/HI11.6:2012 3B
Охлаждающий кожух Y |
Жидкость:
Рабочая жидкость Любая вязкая жидкость
Диапазон температур жидкости 0 .. 40 °C
Плотность 998.2 кг/м3 |
Материалы:
Корпус насоса Чугун
Корпус насоса EN 1561 EN-GJL-250
Корпус насоса AISI A48 30
Рабочее колесо Нержавеющая сталь
Рабочее колесо EN 1.4408
Рабочее колесо AISI CF8M
Электродвигатель Чугун
Электродвигатель EN 1561 EN-GJL-250
Электродвигатель AISI A48 30 |
Данные электрооборудования:
Потребляемая мощность — P1 21 кВт
Номинальная мощность — P2 17.5 кВт
Частота питающей сети 60 Hz
Номинальное напряжение 3 x 460 В
Допуст.откл-е напряж +10/-10 %
Макс. число пусков в час 20
Номинальный ток /35 A
Максимальное потребление тока 35 A
Пусковой ток 155 A
Расчетное значение тока без нагрузки 17 A
Номинальная скорость 1739 об/м
Эффективность электродвигателя при полной нагрузке 83 %
Эффективность двигателя при 3/4 нагрузки 83 %
Эффективность электродвигателя при 1/2 нагрузки 78 %
Количество полюсов 4
Способ запуска прямой пуск
Степень защиты (IEC 34-5) IP68
Класс изоляции (IEC 85) H
Взрывозащищенное исполнение нет
Защита электродвигателя KLIXON
Длина кабеля 15 м
Тип кабеля H07RN-F AT
Сечение кабеля 2X4X10MM2+1X7X1,5MM2
Сопротивление изоляции кабеля 2.87 мОм/м
Winding resistance 0.273 Ohm
Cos phi 1/1 0.76
Cos phi 1/2 0.55
Cos phi 3/4 0.68 |
Монтаж:
Максимальная температура окружающей среды 40 °C
Трубное присоединение ANSI
Размер всасывающего патрубка 8 inch
Размер напорного патрубка 8 inch
Максимальная глубина установки 20 м
Установка Н
Установка сухая / мокрая D
Горизонт. установка 96801089
Модельный ряд 54 |
Управление:
Реле влажности c реле влажности
Датчик воды в масле без датчика воды в масле |
|
Другое:
Нетто вес 430 кг
Вес(Брутто) 520 кг
Область продаж Namreg |
Гидравлические характеристики:

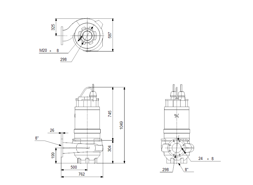
Габаритные размеры:

Деталировка:

Документация:
[elementor-template id=»386730″]
[elementor-template id=»162759″]