[elementor-template id=»15025″]
Техническое описание:
|
Grundfos S1.100.100.100.4.50M.C.241.R.N.D.511, артикул: 96811029 — несамовсасывающий одноступенчатый центробежный насос, предназначенный для перекачивания сточных вод, технологических вод и неочищенных сточных вод, не пропущенных через решетку. Насос предназначен для периодической и непрерывной эксплуатации в погруженном положении. Канализационный насос оборудован погружным электродвигателей и камерой торцевого уплотнение. Для облегчения транспортировки, а также монтажа на месте насос оснащен прочным подъемным кронштейном. При монтаже на автоматической трубной муфте система уплотнения Grundfos SmartSeal обеспечивает герметичное соединение. Соединения трубопроводов обеспечиваются с использованием фланца DIN.
Рабочее колесо насоса предназначено для перекачивания загрязненных жидкостей, в том числе фекального или поверхностного стока, ливневых сточных вод.
Насос может быть установлен в канализационных насосных станциях, резервуарах, колодцах.
См. подробное описание серии |
Технические данные:
Maкс. расход 73.1 л/с
Макс. гидростатический напор 22.4 м
Текущий диаметр рабочего колеса 241 мм
Тип рабочего колеса 1-канальный
Максимальный размер частицы 100 мм
Первичное уплотнение вала SIC-SIC
Вторичное уплотнение вала SIC-CARBON
Сертификаты на шильдике CE, EAC
Допуски по рабочим хар-кам ISO9906:2012 3B
Охлаждающий кожух Y |
Жидкость:
Рабочая жидкость Любая вязкая жидкость
Диапазон температур жидкости 0 .. 40 °C
Плотность 998.2 кг/м3 |
Материалы:
Корпус насоса Нержавеющая сталь
Корпус насоса EN 1.4408
Корпус насоса AISI CF8M
Рабочее колесо Нержавеющая сталь
Рабочее колесо EN 1.4408
Рабочее колесо AISI CF8M
Электродвигатель Нержавеющая сталь
Электродвигатель EN 1.4408
Электродвигатель AISI CF8M |
Данные электрооборудования:
Потребляемая мощность — P1 12 кВт
Номинальная мощность — P2 10.5 кВт
Частота питающей сети 50 Hz
Номинальное напряжение 3 x 400 В
Допуст.откл-е напряж +10/-10 %
Макс. число пусков в час 20
Номинальный ток 23/13 A
Максимальное потребление тока 23 A
Пусковой ток 207 A
Расчетное значение тока без нагрузки 13.4 A
Номинальная скорость 1459 об/м
Эффективность электродвигателя при полной нагрузке 84 %
Эффективность двигателя при 3/4 нагрузки 83 %
Эффективность электродвигателя при 1/2 нагрузки 79 %
Количество полюсов 4
Способ запуска звезда/треуг.
Степень защиты (IEC 34-5) IP68
Класс изоляции (IEC 85) F
Взрывозащищенное исполнение нет
Защита электродвигателя KLIXON
Длина кабеля 10 м
Тип кабеля H07RN-F AT
Сечение кабеля 1X7X2,5MM2+1X7X1,5MM2
Сопротивление изоляции кабеля 7.98 мОм/м
Winding resistance 0.999 Ohm
Cos phi 1/1 0.81
Cos phi 1/2 0.61
Cos phi 3/4 0.73 |
Монтаж:
Максимальная температура окружающей среды 40 °C
Трубное присоединение DIN
Размер напорного патрубка DN 100
Допустимое давление PN 10
Максимальная глубина установки 20 м
Установка С
Установка сухая / мокрая D/S
Автоматическая трубная муфта 96825108
Вертикальная установка 96835614
Основание 96898274
Модельный ряд 50 |
Управление:
Реле влажности c реле влажности
Датчик воды в масле без датчика воды в масле |
|
Другое:
Нетто вес 210 кг
Вес(Брутто) 231 кг |
Гидравлические характеристики:

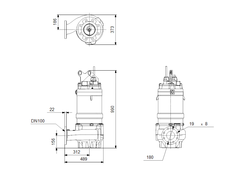
Габаритные размеры:

Деталировка:

Документация:
[elementor-template id=»386730″]
[elementor-template id=»162759″]